Productos
Posición actual:Inicio >> Productos
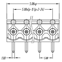
La introducción de serie LZ1RK-5.0/5.08 LC Plug-in del bloque de terminales (LZ):
Serie de LZ son las combinaciones de la serie LC. Se utilizan para el campo correspondiente. Hay texto vertical, tipo horizontal, pendiente, doble tipo de capas, a través del tipo de pared y diferentes, para satisfacer diferentes necesidades.
Diagrama y parámetro:
.jpg)
LZ1RK-5.0/5.08 del componente:




















